山東風途物聯網科技有限公司
聯系人:杜經理
聯系電話:16652863761
QQ:2749609891
公司地址:山東省濰坊市高新區光電路155號光電產業加速器(一期)

PRODUCT
聯系人:杜經理
聯系電話:16652863761
QQ:2749609891
公司地址:山東省濰坊市高新區光電路155號光電產業加速器(一期)
產品型號:FT-B1
產品價格:240元
產品品牌:風途
一、光照傳感器產品簡介
光照傳感器是一種用于測量周圍環境光照強度的傳感器,其主要原理是利用光電效應將光信號轉換為電信號,光照傳感器廣泛應用于農業、林業、溫室大棚培育、養殖、建筑的光照測量及研究。山東風途物聯網科技有限公司作為專業研發生產氣象傳感器的企業,一直致力于氣象傳感器和氣象環境解決方案推廣應用。具有完整的生產鏈、實力雄厚的技術團隊和全面的營銷團隊,我們研發生產的傳感器已廣泛應用到智慧農業、氣象監測、城市環境監測、風力發電、航海船舶、航空機場、橋梁隧道等領域,客戶遍布全國各地,并取得了良好的社會效益和經濟效益。
二、光照傳感器產品特點
1、抗干擾能力強,具有看門狗電路,自動復位功能,保證系統穩定運行
2、高集成度,無移動部件,零磨損
3、免維護,無需現場校準
4、采用ASA工程塑料室外應用常年不變色
5、產品設計輸出信號標配為RS485通訊接口(MODBUS協議);可選配232、USB、以太網接口,支持數據實時讀取☆
6、可選配無線傳輸模塊,最小傳輸間隔1分鐘
三、光照傳感器技術參數
1、光照:0-157286LUX(<±3%)
2、功率:0.24W
3、生產企業具有計算機軟件注冊證書☆
4、生產企業為3A級信用企業☆
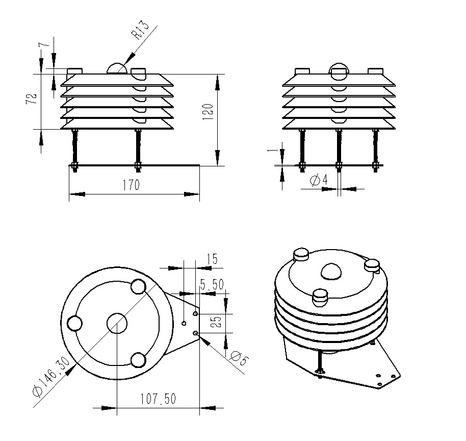
四、光照傳感器產品尺寸圖

五、光照傳感器產品結構圖

更新時間:2025-12-07
本文地址:http://www.fzl5ai.cn/qxcg/891.html微型空氣質量監測系統防范大氣污染
2024-03-25 17:05:18氣象監測系統生產廠家哪家好?
2022-11-04 11:18:02氣象監測儀器介紹
2023-05-04 17:13:21氣象環境監測系統的用處
2023-04-19 16:42:12農業環境監測系統的特點
2022-03-09 16:52:43微氣象站,“微”在哪里?
2025-04-17 17:22:05六要素微型氣象站助力風力監測與預警
2024-07-04 16:16:01智慧燈桿環境傳感器推薦
2023-11-29 16:50:18氣象環境監測儀原理是什么?
2022-07-28 15:39:11架空輸電線路微氣象監測裝置
2024-11-06 13:35:53